Gate Circuit
実験:ゲート回路・組合せ回路
本実験では,ディジタル回路の基本であるゲート回路の動作を作りながら学びます.
ゲート素子
前回まで行なってきた実験では,回路にアナログ動作をさせていま
した.回路の入力を大きくし過ぎると,クリップが起こり出力電圧
が電源電圧以上にならなかったり,0V以下にならないことも体験
できたかと思います.
この極端な状況を使って電源電圧と同じ電圧をHレベル(1レベル),
0Vの電圧をLレベル(0レベル)とすると,2つに一つの状態を
表すことができます.これがディジタル動作で,ディジタル回路動
作の基本です.いくつかの入力によって出力の値が決まるという動
作は信号が門をくぐるというイメージがあり,このような値を演算
する素子をゲート素子といいます
それでは,主なゲート素子を紹介しましょう.
- AND素子(論理積)
- 入力A,BがともにHのときのみ出力XがHになります.
- OR素子(論理和)
- 入力A,BのいずれかがHのときのみ出力XがHになります.
- NAND素子(論理積の否定)
- 入力A,BがともにHのときのみ出力XがLになります.
- NOR素子(論理和の否定)
- 入力A,BがともにHのときのみ出力XがLになります.
- NOT素子(否定)
- 入力AがのHとLが出力XではLとHになります.インバータ
素子とも呼ばれます.
- EXOR素子(排他的論理和)
- 入力A,Bが一致する時のみ出力XがLになります.エクスク
ルーシブORと呼びます.
このようなゲート素子はICで実現されています.有名なゲート素
子を実現する半導体としては74シリーズと呼ばれるICがありま
す.型番が74から始まることから,この名前が付いています.
これらの14ピンのゲートICを動かすためには14番ピンに+5V,7番ピ
ンにGND(0V)を接続する必要があります.その他のピン割り当て
は上記規格表から調べて下さい.
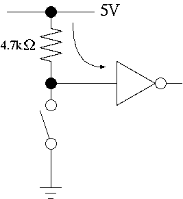
さて,これらのゲート素子を動かすため,入力として1と0(Hと
L)の状態をに作り出す方法について考えます.実はこれは簡単にス
イッチと抵抗を使って実現できます.
この用途のために使う抵抗(4.7kΩ)のことを「プルアップ抵抗」といいます.
次は,1と0(HとL)を人間が見てすぐわかるようにする方法に
ついて考えます.ディジタル回路ではこのディジタルデータの表示
のためによくLED(発光ダイオード)を使います.発光ダイオー
ドはダイオードの一種で,一方向にに電圧を印加したときのみ電流
が流れ発行する半導体素子です.ただし,ダイオードなので,電流
は無制限に流れてしまいます.そこで,抵抗(330Ω)を直列に挿入
して電流制限を行ないます.
このような抵抗を電流制限抵抗といい
ます.このように接続することで,消灯のとき1(H),点灯の時
0(L)であることがわかります.
p
実験に必要な部品
| 品名 | 規格・型番 | 個数 |
| 74シリーズIC | 適切な品番 | 適切な数 |
| 抵抗 | 330Ω(1/8W) | 適切な数 |
| 抵抗 | 4.7kΩ(1/8W) | 適切な数 |
| LED | 赤 | 適切な数 |
| 電線 | --- | 少々 |
注意
- 本実験では,理論値(真理値表または動作表の値)と実際に測定した値(LED
の点灯または消灯)を記録して比較すること.
- 回路をいきなり作らず,しっかりとした回路図を書き,(必要なら配線図を書いて)
部品の配置を決めてから配線を始めること.(プロでも,いきなり回路を作るのは難しい)
実験1
NAND(74LS00)回路の動作を確認せよ.
実験2
EXOR(74LS86)回路の動作を確認せよ.
実験3
2桁の2進数を表わす回路を2つ作り,両者の2進数が一致したと
きLEDが点灯する回路を設計し製作せよ.
実験4
3個のスイッチのうち2個だけが同時にHの時,LEDが発光する回路
を設計し製作せよ.
実験5
3桁の2進数を10進数に変換する回路(2進数の入力で,10進数の0〜7
に対応させた8個のLEDの一つが点灯する回路)を設計し製作せよ.このように,
2進数を10進数に変換する回路をデコーダという.逆に10進数を入力して2進数に変換する回路を
エンコーダという.
- 上の実験で,デジタルICの出力がHであるかLであるかを識別するのに,
HでLEDの消灯,Lで点灯という直感とは反した回路構成とした理由を述べよ.
- 4桁の2進数のデコーダ回路の回路図を示せ.
- 10進数0〜15のエンコーダの論理回路図を示せ.
2002.03.28.
fmiso@sccs.chukyo-u.ac.jp